Nhà nhập khẩu – phân phối – sản xuất tụ bù, cuộn kháng, recloser và nhiều thiết bị công nghiệp khác…

Liên hệ mua hàng - hỗ trợ

Lọc sóng hài là điều cần thiết trong các các doanh nghiệp có hệ thống điện lớn , có nhiều phụ tải. Lọc song hài sẽ giúp giải quyết rất...

Cuộn kháng sử dụng cho tụ bù hay còn được gọi là cuộn kháng lọc sóng hài, có tác dụng để lọc sóng hài và cải thiện chất lượng của...

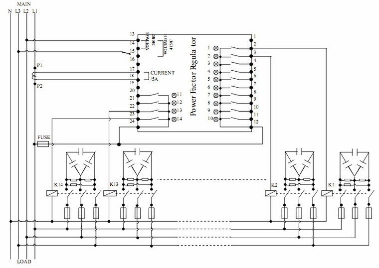
Cài đặt tụ bù là một trong những vấn đề khó mà nhiều kĩ sư kinh nghiệm cũng chưa hẳn đã thành thạo. AT Đông Dương với nhiều năm kinh...

Tụ bù Nuintek nhập khẩu trực tiếp Hàn Quốc là dòng tụ bù được sử dụng nhiều nhất trên thị trường hiện nay. Nuintek Việt Nam là đơn vị chuyên...

Kiểm tra tụ bù hạ thế như thế nào là đúng cách để có thể kịp thời bảo trì, thay thế các tụ bù kém chất lượng và sử dụng...

Lên đầu trang